欢迎来到广东鑫邦活性炭生产厂家!本公司主营各种材质规格的华体会游戏主页 、柱状活性炭、颗粒活性炭、废气处理活性炭等产品。

免费咨询热线
136-1277-7675烧结烟气脱硫脱硝活性炭是一种新型环保材料,广泛应用于污染治理领域。它采用高温烧结技术,将天然硫化物矿物质、人工添加助剂及活性炭等原料烧结成型,具有高比表面积、高孔隙度、高吸附能力等优良特性。
该产品主要应用于烟气的脱硫和脱硝领域,在燃煤电厂、钢铁厂、化工厂等行业得到了广泛的应用。它可吸收烟气中的二氧化硫、氮氧化物等有害气体,有效降低空气污染的程度。同时,该产品还可用于优化废水处理工艺,提高污水的处理效率。
烧结烟气脱硫脱硝活性炭的优点不仅在于其高效的脱硫脱硝效果,同时具有使用寿命长、再生性能好等特点。该产品使用成本低,具有非常广阔的市场前景。
未来,随着环保意识的深化以及对环境污染治理的要求越来越高,烧结烟气脱硫脱硝活性炭将会在环保领域持续发挥重要作用,并且不断拓展应用领域,为协助各行业降低排放,保护环境的任务做出贡献。

烟气脱硫脱硝除尘一体化技术是一种高效的环保能源技术。随着全球环保意识的增强和环境监管的不断加强,该技术正逐渐受到人们的重视。
该技术主要是通过在烟气排放前,对烟气进行脱硫、脱硝和除尘等处理。其中,烟气脱硫主要是利用化学反应的方法,将硫化物转化为石膏等固体废物,达到脱硫的效果;烟气脱硝则采用催化剂等方法,将氮氧化物转化为氮气和水,达到脱硝的效果;除尘则是利用物理方法,将气体中的粉尘捕捉下来。
烟气脱硫脱硝除尘一体化技术的优点在于能够同时处理多种污染物,减少了处理工艺和设备的投资成本,同时也提高了处理效率和降低了能源消耗。
烟气脱硫脱硝除尘一体化技术是一项重要的环保技术,可以有效地减少大气污染和酸雨等环境问题,可持续发展的同时保障了自然环境的健康。

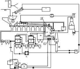
活性炭脱硫脱硝工艺流程图是一种先进的环保技术,可以有效减少燃煤等工业污染物的排放,保护环境和人类健康。
这种工艺流程包括燃料燃烧、烟气处理、脱硫脱硝反应和净化处理四个主要步骤。其中,燃料燃烧是最关键的步骤,需要保证燃料完全燃烧产生的烟气中的污染物尽可能降低。
接下来是烟气处理步骤,通过除尘器把烟气中的颗粒物去除,保证后续的反应过程正常进行。然后在脱硫脱硝反应步骤中,利用活性炭作为吸附剂,将烟气中的氮氧化物和二氧化硫等有害物质吸附下来,从而达到脱除污染物的效果。
在净化处理步骤中,对被吸附的活性炭进行再生,把吸附的污染物热解掉,同时将吸附剂的密封性进行处理,以充分利用活性炭的吸附能力,同时减少处理过程中对环境造成的干扰。
活性炭脱硫脱硝工艺流程图在工业污染治理中扮演着重要的角色,通过高效准确地脱除有害物质,为保护环境做出了贡献。

烧结脱硫脱硝除尘工艺流程是一种高效的大气污染治理方法,广泛应用于燃煤电厂等大型工业设施中。该工艺流程主要包括四个步骤,即烧结、脱硫、脱硝和除尘。
烧结是将粉煤灰和其他固体废弃物进行烧结处理,制成烧结球团。这一步骤可以有效降低废弃物在空气中的排放量,从而减少空气污染。
接下来是脱硫,该过程主要通过加入化学药剂,将燃煤废气中的硫化物转化为石膏,从而达到脱除废气中二氧化硫的效果。这一步骤能够有效减少二氧化硫对大气的影响,降低酸雨的形成。
脱硝是再次加入化学药剂,将燃煤废气中的氮氧化物转化为氮气和水蒸气,从而达到了脱除废气中氮氧化物的效果。该步骤能够有效减少亚硝酸盐和臭氧等有害气体对大气的影响,减缓大气中光化学污染的趋势。
除尘是指将粉尘和颗粒物从燃煤废气中过滤出来,以达到减少粉尘颗粒对大气的污染效果。这一步骤能够有效净化废气中的微粒,从而减少大气中悬浮颗粒物的浓度,降低空气污染的程度。
烧结脱硫脱硝除尘工艺流程是一种有效的大气污染治理方法,通过一系列步骤的联合作用,可以使燃煤废气的污染物排放达到国家标准,并具有可行性和适用性。
广东鑫邦活性炭有限公司致力专注于柱状活性炭、颗粒活性炭、粉状活性炭、华体会游戏主页 生产与批发;广泛应用在:垃圾焚烧厂、黄金提取、工业废水处理、污水处理、废气处理、空气净化、喷漆烤漆房等Powered by EyouCmsCopyright © 2002-2021 HTH电竞官方下载 版权所有 粤ICP备2021087261号