欢迎来到广东鑫邦活性炭生产厂家!本公司主营各种材质规格的华体会游戏主页 、柱状活性炭、颗粒活性炭、废气处理活性炭等产品。

免费咨询热线
136-1277-7675活性炭预处理污水是一种常用的水处理技术。传统的水处理方法往往采用化学方法处理污水,而这种方法存在一定的成本和环境压力。而活性炭预处理污水则可以通过物理吸附的方式处理污水,既有效地去除了污染物,又不会产生二次污染。
活性炭的特性是拥有微小的孔隙和高表面积,使其有很强的吸附能力。活性炭预处理污水的工作原理就是将污水通过活性炭滤料,使污水中的有机物、氯、铅、石油等有害物质、颜色、气味等被吸附在活性炭粒子表面,从而达到净化水质的目的。
活性炭预处理污水具有使用方便、效果显著、投入成本较低等优点。同时,在保护环境和减少水资源浪费等方面也发挥了重要作用。相信随着技术的不断发展和进步,活性炭预处理污水将成为未来污水处理领域的重要方向。

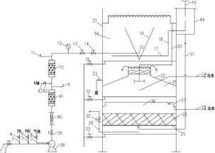
活性炭处理废水主要包括两部分,一是预处理,二是正处理。预处理主要包括原水池、中和器和混合器,原水池用于储存废水,中和器用于调节废水的酸碱度,混合器用于混合药剂,使其充分接触。而正处理主要包括吸附柱、反洗系统和再生系统。吸附柱中放置的是活性炭,通过化学吸附和物理吸附的作用将废水中的有机物质、化学物质、颜料等污染物吸附在活性炭的表面。反洗系统主要用于清洗吸附柱,防止活性炭过度饱和失去吸附性能。再生系统则是用于将吸附的污染物从活性炭中脱离出来,让活性炭重新具有吸附性能,主要通过热解和湿法处理的方式进行。活性炭处理废水的工艺流程简单,易于操作,且处理效果好,净化率高,一定程度上减轻了人类对水资源的压力。

活性炭,又称为活性炭剂,是一种由可燃物质,如木材、椰壳等经过高温炭化和活化处理制成的物质。它具有较高的表面积和孔隙度,能吸附气体、液体和颗粒物质。在污水处理中,活性炭的应用广泛,主要起到吸附杂质和去除异色、异味的作用。
活性炭可吸附污水中的杂质,如油脂、重金属等,从而提高污水的水质。在去除污水中的异色、异味方面,活性炭可通过吸附物质的作用降低污水的浑浊度和异味,从而实现净化污水的目的。此外,活性炭还能去除污水中的有机物和细菌等微生物,为后续的处理提供更加良好的条件。
综上所述,活性炭在污水处理中有着广泛的作用,能有效地净化污水、去除异味、杂质和微生物等,提高污水的水质,为环境保护做出了不可替代的贡献。

活性炭是一种具有极强吸附能力的材料,在处理污水方面也有着很好的效果。活性炭处理污水的作用主要体现在以下几个方面:
活性炭可以有效去除污水中的有机物和异味。因为活性炭具有非常多的微孔和中孔,这些细小的空隙可以吸附污水中的有机物质,如甲醛、苯等有害物质,从而达到净化污水的效果。
活性炭可以吸附污水中的重金属离子。重金属离子是常见的水污染物之一,例如铅、汞、铬等,这些重金属离子难以通过常规的污水处理方式清除。但是,活性炭具有非常强的吸附作用,能够吸附这些有害物质和离子,从而减轻污染。
此外,活性炭的使用也能够有效去除污水中的颜色和浑浊度,让污水变得更加清澈。这是因为活性炭能够吸附一些难以被去除的细小颗粒,从而提高污水的透明度。
活性炭在污水处理中拥有显著的优势,能够有效地去除有害物质和离子,提高水质的纯度,从而起到净化污水的作用。
广东鑫邦活性炭有限公司致力专注于柱状活性炭、颗粒活性炭、粉状活性炭、华体会游戏主页 生产与批发;广泛应用在:垃圾焚烧厂、黄金提取、工业废水处理、污水处理、废气处理、空气净化、喷漆烤漆房等Powered by EyouCmsCopyright © 2002-2021 HTH电竞官方下载 版权所有 粤ICP备2021087261号